您好,欢迎来到日本购物网! 请登录 免费注册 [帮助中心]
8:30-12:00/13:00-18:30
400-668-2606
RC42 純正 スターター スイッチ CB750F マグネチック sw セル リレー CB750L RC39 ナイトホーク 750 VFR750F RC45 RVF VFR 800 CTX700 /mt4
RC42 純正 スターター スイッチ CB750F マグネチック sw セル リレー CB750L RC39 ナイトホーク 750 VFR750F RC45 RVF VFR 800 CTX700 /mt4 [浏览原始页面]
当前价:6590 日元(合317.64人民币)

加价单位:0 日元/0.00 人民币

一口价:6600 日元 合 318.12 人民币
当前最高出价者: 出价次数:0
距结束:
0
手动刷新
升级包月会员,免预付款出价! 《会员制说明》
卖方资料

卖家账号:バイクパーツ四国中央

卖家评价:好评:21377 差评:19

店铺卖家:不是

发货地址:愛媛県

商品信息

拍卖号:v1205739135

结束时间:11/25/2025 20:20:00

日本邮费:买家承担

可否退货:不可

开始时间:11/18/2025 21:20:00

商品成色:新品

自动延长:可

个 数:1

提前结束:可

最高出价:

拍卖注意事项

1、【自动延长】:如果在结束前5分钟内有人出价,为了让其他竞拍者有时间思考,结束时间可延长5分钟。

2、【提前结束】:卖家觉得达到了心理价位,即使未到结束时间,也可以提前结束。

3、参考翻译由网络自动提供,仅供参考,不保证翻译内容的正确性。如有不明,请咨询客服。

4、本站为日拍、代拍平台,商品的品质和卖家的信誉需要您自己判断。请谨慎出价,竞价成功后订单将不能取消。

5、违反中国法律、无法邮寄的商品(注:象牙是违禁品,受《濒临绝种野生动植物国际贸易公约》保护),本站不予代购。

6、邮政国际包裹禁运的危险品,邮政渠道不能发送到日本境外(详情请点击), 如需发送到日本境外请自行联系渠道。

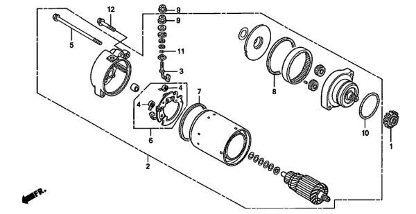
    RC42   CB750F   純正  スターター マグネチック スイッチ ASSY    新品

商品内容     (添付図:RC42-160.170)
RC42   .   F-26   .    8    :        スターターマグネチックスイッチASSY            MT4


適合一例 
VFR750F     RC36-100~                        VFR750F                            mt4

NAS750M     : RC39-100~                        : ナイトホーク750                     mt4

CB750FⅡ    : RC42-100~170                    CB750F                              mt4 
 
CB750L       : RC42-115~140                    CB750L     免許教習車           mt4
 
RVF750R     : RC45-100~110                    RVF                                   mt4 

VFR800       : RC46-100~160                    : VFR  (800)                           mt4

CTX700       : RC69-100~                         CTX700                               mt4 




適合外















通常在庫の商品ですが店頭でも販売しておりますのでお急ぎの場合は在庫の確認をお願いします。

送料  60サイズ    (梱包手数料含む)      地域別送料はこちらからhttp://unosyoukai.com/tyumon.html

レターパックプラス発送  送料600円
(
時間日時指定不可/問い合わせ番号あり/手渡し/4kgまで
(代引き不可)



 















純正部品一例 (図の見出し番号でご確認ください/各1個/同梱発送時の価格/取り寄せ) 追加分は送料に加算  *


RC42  (添付図:RC42-160.170)



E-12 .  3 ターミナルセツト,ブラシ                  .    1400円         31201KS5901  .125
E-12 .  6 . ホルダーセツト,ブラシ                    .    1400円    31206KW1901  .125
E-12 .  7 . リング                                        .     300円         31207ks5901  .25-
E-12 .  8 . リング.シール                               .     300円     31207179711  .26
E-12 . 10 . Oリング                                     .      400円         91309MJ1000  .35
E-12 . 11 . Oリング  4x2                               .     200円     91320MB0000  .15




F-26 .  2 ケーブル,スターターバツテリー            .   *****   32401MW3000  .137

F-26 .  3 カバー,スターターターミナル               .   *****         32406MW3300

F-26 .  4 ケーブル,スターターモーター              .   *****    32410MW3000  .195

F-26 .  5 カバー,スターターモーターターミナル    .    380円         32411253000  .33

F-26 .  6 カバーB,ターミナル                          .    400円    32414MW3000  .35

F-26 .  7 ケーブル,バツテリーアース                 .   *****        32601MW3000  .101

F-26 .  9 ラバー,シヨツク                               .   *****          35856MW6610

F-26 . 11 . バンドCOMP.,バツテリー                   .   *****    50327MW3670







” SUPER ZOIL GREASE 100g / スーパーゾイルスプレー 280ml ”もご用意しております。
(商品購入時に限り1,900円/ヤマト運輸、レターパックプラス、ユウパック発送)



を世界へ Japan Auctions to the World
を世界へ                                                      Japan Auctions to the World


出品商品以外につきましてはメールにてお問い合わせください。
uno_syoukai@ybb.ne.jp

御不明な点があればメールでお問い合わせ下さい。
自己紹介もあわせてご確認ください。
発送には2.3日お時間を頂く場合もございますのでお急ぎの場合は入札前にメールでお問い合わせください。
評価にて発送完了のメールに変えさせて頂きますのであらかじめご了承お願い致します。




 

送料(発送手数料含む)
60サイズ
(離島はお問い合わせください)

ヤマト運輸  

(時間指定/午前中,14-16時,16-18時,18-20時,19-21時)

[北海道] 1750円 (北海道)
[ 東北 ]  1100円 (青森、岩手、秋田、山形、宮城、福島)
[ 関東 ]   900円 (茨城、栃木、群馬、埼玉、千葉、東京、神奈川、山梨)
[ 信越 ]   900円 (新潟、長野)
[ 北陸 ]   900円 (富山、石川、福井)
[ 中部 ]   800円 (静岡、愛知、岐阜、三重)
[ 関西 ]   700円 (滋賀、京都、大阪、兵庫、奈良、和歌山)
[ 中国 ]   700円 (鳥取、岡山、島根、広島、山口)
[ 四国 ]   700円 (香川、徳島、愛媛、高知)
[ 九州 ]   800円 (福岡、佐賀、長崎、熊本、大分、宮崎、鹿児島)
[ 沖縄 ] 1300円 (沖縄) 



ゆうパック
(時間指定/午前中,12-14時,14-16時,16-18時,18-20時,20-21時)

[北海道] 1300円 (北海道)
[ 東北 ]    900円 (青森、岩手、秋田、山形、宮城、福島)
[ 関東 ]    800円 (茨城、栃木、群馬、埼玉、千葉、東京、神奈川、山梨)
[ 信越 ]    800円 (新潟、長野)
[ 北陸 ]    800円 (富山、石川、福井)
[ 中部 ]    650円 (静岡、愛知、岐阜、三重)
[ 関西 ]    600円 (滋賀、京都、大阪、兵庫、奈良、和歌山)
[ 中国 ]    600円 (鳥取、岡山、島根、広島、山口)
[ 四国 ]    600円 (香川、徳島、愛媛、高知)
[ 九州 ]    650円 (福岡、佐賀、長崎、熊本、大分、宮崎、鹿児島)
[ 沖縄 ]  1000円 (沖縄)





http://unosyoukai.com/






F-26   .   8 . スターターマグネチックスイッチASSY     . 65         35850MT4003   .35850MT4000  .555


00049200054120005953000
*000540000059400006534000
**000555000061050006715000

出价者 信用 价格 时间
推荐
地址: 205-0023 東京都羽村市神明台
国内客服电话:400-668-2606
E-mail:gouwujp@gmail.com
//